Tomada de: https://alausat.ae/es/instrumentacion-control/
El control es una función que cumple la
instrumentación, dicho campo principalmente se divide en cuatro partes.
Los
sistemas de control de la instrumentación electrónica son importantes debido a
su amplia aplicación en diversos campos, en la instrumentación electrónica se
utilizan para regular y mantener variables físicas en procesos industriales,
ambientales, de producción, investigación científica y transporte, con el fin
de mejorar la eficiencia, la seguridad y la precisión en estos procesos. Los
sistemas de control son esenciales para mantener las variables físicas de un
proceso dentro de los límites deseados y mejorar la calidad de los productos,
reducir los costos, aumentar la seguridad y mejorar la eficiencia energética.
Figura 1. Ejemplo de sistema de control
de temperatura para un horno eléctrico (enlace).
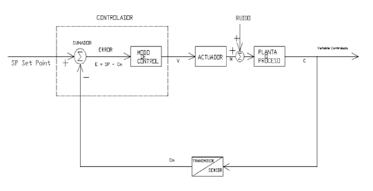
Control en lazo cerrado.
Un control en lazo cerrado es un sistema de control que utiliza la retroalimentación para ajustar la acción de control y mantener una variable de proceso en un valor deseado. El sistema compara continuamente la variable de proceso medida con el valor de referencia deseado y ajusta la acción de control para minimizar la diferencia entre ellos.
El control en lazo cerrado se compone de varios elementos, entre los que se incluyen el sensor o medidor de la variable de proceso, el controlador, el elemento final de control y el proceso. El sensor mide la variable de proceso y envía una señal al controlador, que compara la señal de entrada con el valor de referencia deseado y determina el ajuste necesario. El controlador envía una señal de salida al elemento final de control, que ajusta la variable de proceso en consecuencia.
El uso de la retroalimentación en un sistema de control en lazo cerrado permite que el sistema se adapte automáticamente a las variaciones en el proceso y reduzca el efecto de las perturbaciones externas. El sistema puede compensar las desviaciones de la variable de proceso de manera eficaz, incluso en situaciones donde las condiciones del proceso son variables o impredecibles.
Figura 2. Modelo de un control en lazo cerrado (Tomada de:Martínez Baquero Javier E. (2023). Instrumentación electrónica I).




Comentarios
Publicar un comentario